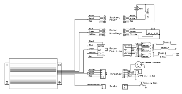
Controller Varianten Jeder kennt es, wieder ein unbekannter Controller, mit unbekanntem Anschluss-Schema und unbekannten Features. Deshalb hier eine Galerie, um zumindest Anhand der Farbcodierung die Anschlüsse zu finden: Teilen mit: Auf X teilen (Wird in neuem Fenster geöffnet) X Auf Facebook teilen (Wird in neuem Fenster geöffnet) Facebook Gefällt mir Wird geladen … Ähnliche Beiträge Hinterlasse einen Kommentar Antwort abbrechen Δ
Hinterlasse einen Kommentar